Home > PRODUCTS > Ball Valve >
3-Way Ball Valve
3-Way Ball Valve
ALFA HI-FLOW, multi-way flanged ball valve with ISO direct mount is a smart way to save the cost on pipe line and space. With T/L/X/I-port for 3/4/5-way block body type, and various flange
connection for option (ASME150 & 300/ PN16 & 40/ JIS10K & 20K). This will be helpful to find a suitable valve type for any application.
The valve designed with ISO direct mount (1/2" to 4") for assembling the actuator directly. 5" to 8" valves was required bracket & adaptor for automation connection.
The valve is 4 seats design, this will help to keep the ball position stably. The floating type (1/2" to 2") designed with a insert pin between the stem & ball to make sure the ball will not leaning after hundreds of operation. Size over 2-1/2" are trunnion type to keep the valve stable for thousands of operation. The 4 windows on the neck will let the media leak from while the valve leaks.
This will protect the actuator to keep from damage by the media.
And a good way to keep the working temperature lower, this will help to increase the life time of actuator.
Sizes are available from 1/2" to 8" in ASME150/PN16/JIS10K pressure rating. 1/2" to 6" in ASME 300/PN40/JIS20K pressure rating.
The valve can be with cavity fillers to filled the valve cavity.
This will help to keep the media from leaving in the cavity for easy cleaning & anti-sticky of the ball.
This was required the internal body machining.
ALFA HI-FLOW can offer up to 6" cavity filler at present.
Uncommon size, 5" is available for ASME150/PN16/ JIS10K Valves. ALFA HI-FLOW will try to offer up to 10" for the mature market.
As for the soft kits, pure PTFE/ PTFE+25% Carbon/ TFM1600/ TFM4215/ UPE (UHMWPE) are available for different application.
Sometimes we can offer PEEK seats, but not for size over 1-1/4".
The PEEK will increase the torque much, replace the stem to be 17-4 may necessary after estimating.
Valve with PTFE/ PFA coating are available while required.
It helps to be anti-sticky on both external & internal body, ball, and stem.
Extraordinary material such as Hastelloy C, Monel, Alloy 20, Duplex are available, too, for special media or environment.
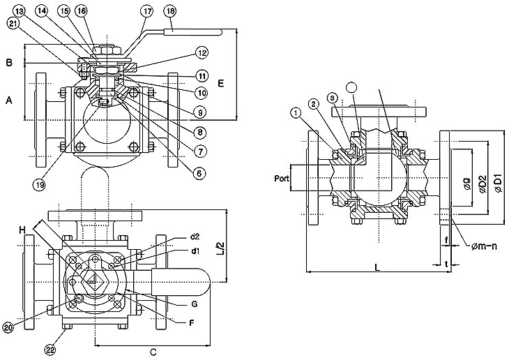
| No. |
PARTS |
Materials |
| 1 |
Flanged End |
CF8M/WCB |
| 2 |
Gasket |
PTFE |
| 3 |
Body |
CF8M/WCB |
| 4 |
Ball |
SS 316/SS 304 |
| 5 |
Seat |
PTFE |
| 6 |
Thrust Washer |
RPTFE |
| 7 |
Stem |
SS 316/SS 304 |
| 8 |
O-Ring |
VITON |
| 9 |
Stem |
PTFE |
| 10 |
Gland |
SS 304 |
| 11 |
Disk Washer |
SS 301 |
| 12 |
Stem Nut |
SS 304 |
| 13 |
Nut Stop |
SS 304 |
| 14 |
Space Washer |
SS 304 |
| 15 |
Stopper Plate |
SS 304 |
| 16 |
Handle Nut |
SS 304 |
| 17 |
Handle |
SS 304 |
| 18 |
Sleeve |
PLASTIC |
| 19 |
Insert Pin |
SS 304 |
| 20 |
Stop Pin |
SS 316 |
| 21 |
Stop Pin Nut |
SS 304 |
22 |
Bolts |
SS 304 |
Dimensions(mm) / 2-1/2" to 4"
| size |
A |
C |
D |
H |
L |
| #150 |
#300 |
PN16 |
PN40 |
10K |
20K |
| 2-1/2" |
118.5 |
400 |
62 |
210 |
300 |
300 |
300 |
300 |
300 |
300 |
| 3" |
136.5 |
500 |
76 |
228 |
305 |
330.4 |
305 |
330.4 |
305 |
330.4 |
| 4" |
156.5 |
650 |
96 |
248 |
368.5 |
393.8 |
368.5 |
393.8 |
368.5 |
393.8 |
Dimensions(mm) / ASME 150/300 (2-1/2" to 4")
| size |
Class150 |
Class300 |
| D1 |
D2 |
g |
t |
f |
m |
n |
D1 |
D2 |
g |
t |
f |
m |
n |
| 1/2" |
89 |
60.5 |
35 |
11.2 |
1.6 |
16 |
4 |
95 |
66.5 |
35 |
14.5 |
1.6 |
16 |
4 |
| 3/4" |
98 |
70 |
43 |
11.2 |
1.6 |
16 |
4 |
117 |
82.5 |
43 |
16.0 |
1.6 |
19 |
4 |
| 1" |
108 |
79.5 |
51 |
11.2 |
1.6 |
16 |
4 |
124 |
89 |
51 |
17.5 |
1.6 |
19 |
4 |
| 1-1/4" |
117 |
89 |
64 |
12.7 |
1.6 |
16 |
4 |
134 |
98.5 |
64 |
20.5 |
1.6 |
19 |
4 |
| 1-1/2" |
127 |
98.5 |
73 |
14.3 |
1.6 |
16 |
4 |
156 |
114.5 |
73 |
22.5 |
1.6 |
22 |
4 |
| 2" |
152 |
120.5 |
92 |
15.8 |
1.6 |
16 |
4 |
165 |
127 |
92 |
25.4 |
1.6 |
19 |
8 |
Dimensions(mm) / PN16 / 40 (1/2" to 2")
| size |
PN16 |
PN40 |
| D1 |
D2 |
g |
t |
f |
m |
n |
D1 |
D2 |
g |
t |
f |
m |
n |
| 1/2" |
95 |
65 |
45 |
14 |
2.0 |
14 |
4 |
95 |
65 |
45 |
16 |
2.0 |
14 |
4 |
| 3/4" |
105 |
75 |
58 |
16 |
2.0 |
14 |
4 |
105 |
75 |
58 |
18 |
2.0 |
14 |
4 |
| 1" |
115 |
85 |
68 |
16 |
2.0 |
14 |
4 |
115 |
85 |
68 |
18 |
2.0 |
14 |
4 |
| 1-1/4" |
140 |
100 |
78 |
16 |
2.0 |
18 |
4 |
140 |
100 |
78 |
18 |
2.0 |
18 |
4 |
| 1-1/2" |
150 |
110 |
88 |
16 |
3.0 |
18 |
4 |
150 |
110 |
88 |
18 |
3.0 |
18 |
4 |
| 2" |
165 |
125 |
102 |
18 |
3.0 |
18 |
4 |
165 |
125 |
102 |
20 |
3.0 |
18 |
4 |
Dimensions(mm) / JIS10K / 20K (1/2" to 2")
| size |
JIS10K |
JIS20K |
| D1 |
D2 |
g |
t |
f |
m |
n |
D1 |
D2 |
g |
t |
f |
m |
n |
| 1/2" |
95 |
70 |
51 |
12 |
1.0 |
15 |
4 |
95 |
70 |
51 |
14 |
1.0 |
15 |
4 |
| 3/4" |
100 |
75 |
56 |
14 |
1.0 |
15 |
4 |
100 |
75 |
56 |
16 |
1.0 |
15 |
4 |
| 1" |
125 |
90 |
67 |
14 |
1.0 |
19 |
4 |
125 |
90 |
67 |
16 |
1.0 |
19 |
4 |
| 1-1/4" |
135 |
100 |
76 |
16 |
2.0 |
19 |
4 |
135 |
100 |
76 |
18 |
2.0 |
19 |
4 |
| 1-1/2" |
140 |
105 |
81 |
16 |
2.0 |
19 |
4 |
140 |
105 |
81 |
18 |
2.0 |
19 |
4 |
| 2" |
155 |
120 |
96 |
16 |
2.0 |
19 |
4 |
155 |
120 |
96 |
18 |
2.0 |
19 |
8 |
Address in Korea :
312-3, Gojan-Dong, NamDong-Gu, Incheon City, Republic of Korea
( Tel : +82-32-442-3093 ~ 4, Fax : +82-32-442-3095 )
Copyright © Since 2012-2025, ALFA Hi-Flow.com (Korea) All right reserved.
TOP