Home > PRODUCTS > Ball Valve > 3-PC Ball Valve >
SWE (2013ND)
SWE (2013ND)
ALFA HI-FLOW® 3-PC ball valve in full bore, floating ball, threaded connection, pressure rating 1000 psi-g WOG, antistatic design, acc. To ATEX guidance 94/9/EC, blow-out proof stem and ISO 5211 “Direct Mount” top flange. Actuated by means of a lockable lever or T-bar with PVC sleeve. This type of ball valve is generally applicable in industrial systems such as gas, water and corrosive media, up to maximum of 68 bar-g.
This unique 3-PC construction makes it possible to inspect or repair these ball valves easily, The body can be removes from the pipe section, complete with ball and sealing rings, and refitted without removing the connection pieces.
Pressure and temperature range
| Size |
Temperature range |
-20°C |
+38°C |
+100°C |
+150°C |
+200°C |
|
| 1/2" - 2" |
-20°C to +200°C |
68 |
68 |
44 |
22 |
0 |
(bar) |
| 2-1/2" - 4" |
-20°C to +200°C |
50 |
50 |
32 |
16 |
0 |
(bar) |
| Pressure rating 100 psi-g WOG |
Material Specifications
| Component |
Material |
EN and/or DIN / ANSI |
WS. No. |
| Body & end caps |
Stainless steel |
ASTM A351 CF8M |
1.4408 |
| Ball |
Stainless steel |
ASTM A351 CF8M |
1.4408 |
| Stem |
Stainless steel |
ASTM A276-316 |
1.4401 |
| Ball seat |
PTFE |
|
|
| Stem seals |
PTFE |
|
|
| O-ring |
FKM (Viton) |
|
|
| Lever, 1) |
Stainless steel |
AISI 304 |
1.4301 |
| T-bar, 1) |
Galvanised steel |
|
|
| 1) Covered with PVC sleeve, color blue |
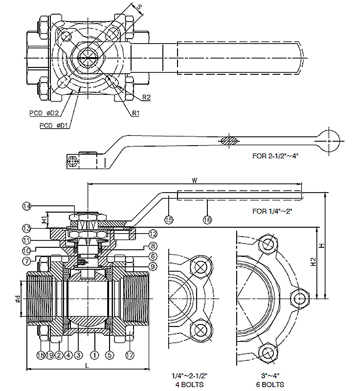
Dimensions
| DN(") |
d |
L |
H |
H1 |
H2 |
W |
S |
D1 |
D2 |
R1 |
R2 |
ISO 5211 |
Torque (Nm) |
WGT (Kg) |
| 1/2" |
15 |
65 |
62.7 |
7.1 |
36.4 |
115 |
9 |
36 |
42 |
2.8 |
2.8 |
F03/F04 |
7.5 |
0.6 |
| 3/4" |
20 |
75 |
65.1 |
7.3 |
39.5 |
115 |
9 |
36 |
42 |
2.8 |
2.8 |
F03/F04 |
9 |
0.7 |
| 1" |
25 |
85 |
76.5 |
11 |
49 |
140 |
11 |
42 |
50 |
2.8 |
3.5 |
F04/F05 |
15 |
1.1 |
| 1-1/4" |
32 |
101 |
82 |
11.5 |
54.2 |
140 |
11 |
42 |
50 |
2.8 |
3.5 |
F04/F05 |
18 |
1.7 |
| 1-1/2" |
38 |
112 |
102 |
12.4 |
64.6 |
172 |
14 |
50 |
70 |
3.5 |
4.5 |
F05/F07 |
25 |
2.6 |
| 2" |
50 |
130 |
110 |
13.6 |
72.5 |
172 |
14 |
50 |
70 |
3.5 |
4.5 |
F05/F07 |
35 |
3.7 |
| 2-1/2" |
63 |
162 |
127 |
16.3 |
92 |
325 |
17 |
70 |
102 |
4.5 |
5.5. |
F07/F10 |
55 |
7.1 |
| 3" |
76 |
188 |
136 |
16.3 |
100 |
325 |
17 |
70 |
102 |
4.5 |
5.5 |
F07/F10 |
70 |
10.2 |
| 4" |
96 |
224 |
143 |
20.5 |
130 |
325 |
22 |
102 |
125 |
5.5 |
6.5 |
F10/F12 |
90 |
19.4 |
Address in Korea :
312-3, Gojan-Dong, NamDong-Gu, Incheon City, Republic of Korea
( Tel : +82-32-442-3093 ~ 4, Fax : +82-32-442-3095 )
Copyright © Since 2012-2025, ALFA Hi-Flow.com (Korea) All right reserved.
TOP